“长对正、高平齐、宽相等”:三视图绘制全攻略
机械制图的三视图画法是工程制图的核心基础,是表达三维物体形状和尺寸的标准方法。下面将从几个部分进行讲解。
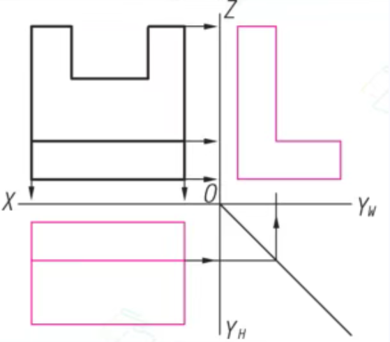
01 三视图的基本原理
三视图是基于正投影法,将物体放在三个互相垂直的投影面体系中,在一个物体上分别从前向后、从上至下、从左向右三个方向进行投影,然后将三个投影面展开到同一个平面上得到的图形。
Q1. 三个投影面
V面(正平面):从前往后看,得到主视图。
H面(水平面):从上往下看,得到俯视图。
W面(侧平面):从左往右看,得到左视图。

Q2. 展开规则
V面(主视图)保持不动。
H面(俯视图)绕与V面的交线(X轴)向下旋转90°。
W面(左视图)绕与V面的交线(Z轴)向右旋转90°。

这样,三个视图就展平在同一个平面上,形成我们常见的三视图布局。
02 三视图的投影规律
1.主、俯视图——长对正:它们在长度方向(X轴)上尺寸相等、位置对正。
2.主、左视图——高平齐:它们在高度方向(Z轴)上尺寸相等、位置对齐。
3.俯、左视图——宽相等:它们在宽度方向(Y轴)上尺寸相等。
03 绘制三视图的一般步骤
第一步:确定位置关系建立坐标系
根据主、俯、左视图的位置关系,建立坐标系并画出45度辅助线。
第二步:画三视图
1.从主视图开始:画出反映主要形状特征的外轮廓和凹槽位置。

2.画俯视图:利用“长对正”,在主视图下方画出俯视图的轮廓。凹槽在主视图上是“凹进去”的线条,在俯视图上表现为“缺口”或“虚线”,需根据实际形状确定。

3.画左视图:利用“高平齐”,在主视图右方画出左视图的高度轮廓。再利用“宽相等”(45°斜线法),根据俯视图的宽度确定左视图的宽度。凹槽在主视图上是一个矩形,在左视图上会表现为一个“台阶”或“缺口”。

第三步:检查
对照模型或三维想象,检查是否有遗漏的线条,特别是不可见的轮廓线(用虚线表示)和孔、槽的中心线(用点划线表示)。检查是否符合“长对正、高平齐、宽相等”的规律。
03 总结
掌握三视图画法,关键在于深刻理解正投影和三等关系 这两个核心。勤加练习,从简单的模型(如积木块、轴承座)开始,先画模型,再尝试根据轴测图或实物画三视图,最后练习读图(根据三视图画轴测图)。熟练之后,你就能自如地在二维图纸和三维空间之间进行转换。
撰稿 | 杨家乐(机电一体化教研室)
初审 | 王 洁
终审 | 杨新潮
编辑 | 王淑萍
姓名:
电话:
我想报考的专业:
提交
您所提交的信息将严格保密,请静待老师电话回复。